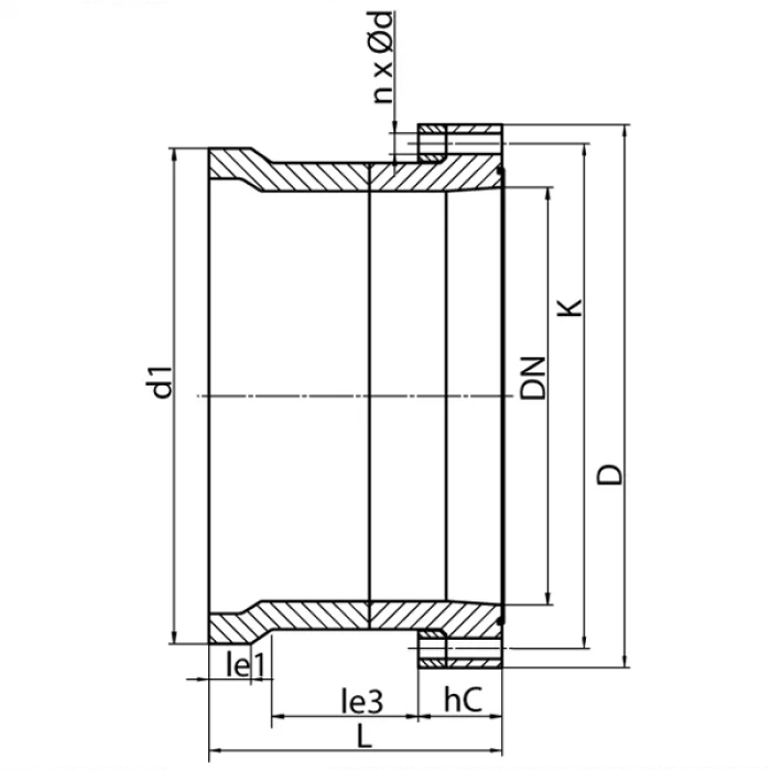
Valve flange
drilled according to DIN EN 1092-1 PN 10
with EPDM-O-ring gasket and backing ring steel plastic coated
optional with steel hot-dip galvanized or stainless steel backing ring
short spigot for butt welding
with EPDM-O-ring gasket and backing ring steel plastic coated
optional with steel hot-dip galvanized or stainless steel backing ring
short spigot for butt welding
PE100-RC


|
SDR 17 |
|||||||||||||||||||||||||||||||||||||||||||||||||||||||||||||||||||||||||||||||||||||||||||||||||||
|---|---|---|---|---|---|---|---|---|---|---|---|---|---|---|---|---|---|---|---|---|---|---|---|---|---|---|---|---|---|---|---|---|---|---|---|---|---|---|---|---|---|---|---|---|---|---|---|---|---|---|---|---|---|---|---|---|---|---|---|---|---|---|---|---|---|---|---|---|---|---|---|---|---|---|---|---|---|---|---|---|---|---|---|---|---|---|---|---|---|---|---|---|---|---|---|---|---|---|---|
| Art. No. | DN [mm] | d1 [mm] | D [mm] | le3 [mm] | L [mm] | K [mm] | n | ød [mm] | hC [mm] | kg |
|||||||||||||||||||||||||||||||||||||||||||||||||||||||||||||||||||||||||||||||||||||||||
| 4330201705000400 | 400 | 500 | 565 | 180 | 370 | 515 | 16 | 26 | 100 | 37,35 | |||||||||||||||||||||||||||||||||||||||||||||||||||||||||||||||||||||||||||||||||||||||||
* available for gas pipes with flat surface or NBR-Gaskets