Valve flange
drilled according to DIN EN 1092-1 PN 10
with EPDM-O-ring gasket and backing ring steel plastic coated
optional with steel hot-dip galvanized or stainless steel backing ring
short spigot for butt welding
with EPDM-O-ring gasket and backing ring steel plastic coated
optional with steel hot-dip galvanized or stainless steel backing ring
short spigot for butt welding
PE100-RC


|
SDR 17 |
|||||||||||||||||||||||||||||||||||||||||||||||||||||||||||||||||||||||||||||||||||||||||||||||||||
|---|---|---|---|---|---|---|---|---|---|---|---|---|---|---|---|---|---|---|---|---|---|---|---|---|---|---|---|---|---|---|---|---|---|---|---|---|---|---|---|---|---|---|---|---|---|---|---|---|---|---|---|---|---|---|---|---|---|---|---|---|---|---|---|---|---|---|---|---|---|---|---|---|---|---|---|---|---|---|---|---|---|---|---|---|---|---|---|---|---|---|---|---|---|---|---|---|---|---|---|
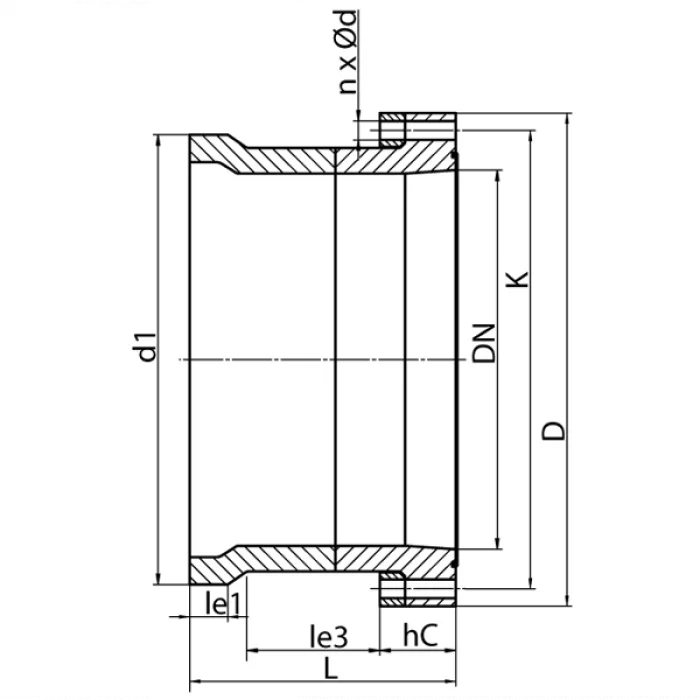
| Art. No. | DN [mm] | d1 [mm] | D [mm] | le1 [mm] | le3 [mm] | L [mm] | K [mm] | n | ød [mm] | hC [mm] | kg |
||||||||||||||||||||||||||||||||||||||||||||||||||||||||||||||||||||||||||||||||||||||||
| 4330201708000700 | 700 | 800 | 895 | 85 | 210 | 450 | 840 | 24 | 30 | 120 | 98,7 | ||||||||||||||||||||||||||||||||||||||||||||||||||||||||||||||||||||||||||||||||||||||||
* available for gas pipes with flat surface or NBR-Gaskets