Valve flange
drilled according to DIN EN 1092-1 PN 10
with EPDM-O-ring gasket and backing ring steel plastic coated
optional with steel hot-dip galvanized or stainless steel backing ring
short spigot for butt welding
with EPDM-O-ring gasket and backing ring steel plastic coated
optional with steel hot-dip galvanized or stainless steel backing ring
short spigot for butt welding
PE100-RC


|
SDR 17 |
|||||||||||||||||||||||||||||||||||||||||||||||||||||||||||||||||||||||||||||||||||||||||||||||||||
|---|---|---|---|---|---|---|---|---|---|---|---|---|---|---|---|---|---|---|---|---|---|---|---|---|---|---|---|---|---|---|---|---|---|---|---|---|---|---|---|---|---|---|---|---|---|---|---|---|---|---|---|---|---|---|---|---|---|---|---|---|---|---|---|---|---|---|---|---|---|---|---|---|---|---|---|---|---|---|---|---|---|---|---|---|---|---|---|---|---|---|---|---|---|---|---|---|---|---|---|
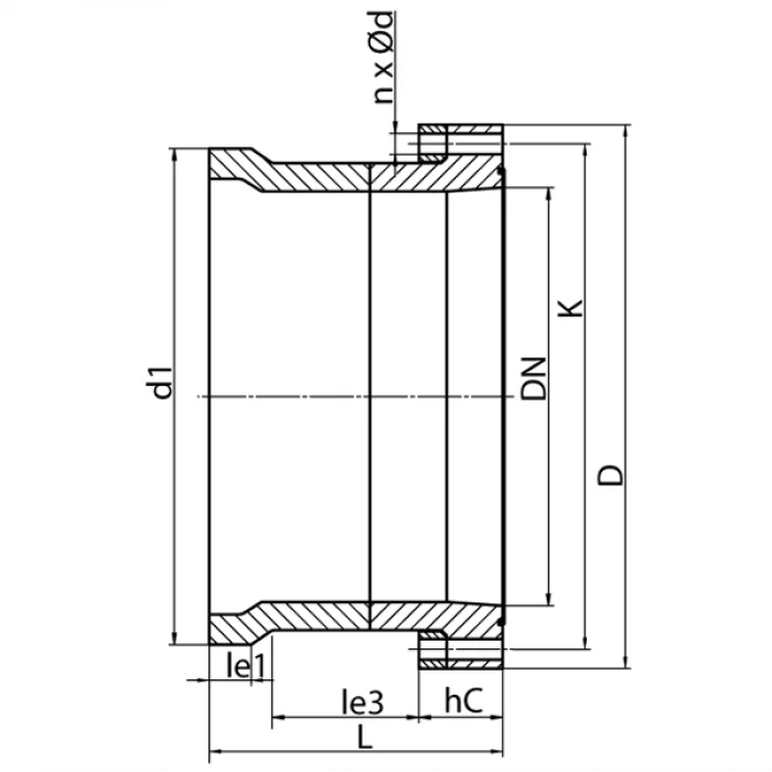
| Art. No. | DN [mm] | d1 [mm] | D [mm] | le1 [mm] | le3 [mm] | L [mm] | K [mm] | n | ød [mm] | hC [mm] | kg |
||||||||||||||||||||||||||||||||||||||||||||||||||||||||||||||||||||||||||||||||||||||||
| 4330201712001000 | 1000 | 1200 | 1230 | 85 | 225 | 510 | 1160 | 28 | 36 | 155 | 233,3 | ||||||||||||||||||||||||||||||||||||||||||||||||||||||||||||||||||||||||||||||||||||||||
* available for gas pipes with flat surface or NBR-Gaskets